Otočný soustružnický hrot středicí na trubky, kužel Morse DS5X250
Vlastnosti a použití:
Hrot je vyroben z vysocejakostní legované oceli.
Tvrdost pracovních ploch: HRC 55 – 60.
Tvarem je určen ke zpracování dutých dílů, trubek, válců atd.
Pro obecné soustružnické práce.
Používá se pro koník soustruhu.
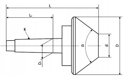
Technické parametry:
| Parametr | Hodnota | Jednotky |
 |
| Kužel Morse |
5 |
|
| Úhel kužele |
60o |
|
| L |
281 |
mm |
| L1 |
129,5 |
mm |
| D |
250 |
mm |
| D1 |
44,399 |
mm |
| d |
57 |
mm |
| Hmotnost |
36 |
kg |