Telefon: +420 725 845 662

Otočný dělicí stůl frézařský SPZ 320 VH (DM344)

Do týdne

40430 Kč

Výrobce: Darmet

Otočný dělicí stůl frézařský SPZ320VH (DM344)

Vlastnosti a užití:

  • Převodový poměr 1:90.
  • Velká tuhost.
  • Možnost upevnit horizontálně i vertikálně.
  • Otáčení o celých 360°, jedna otáčka ručního kolečka otáčí stůl o 4°.
  • Kalené a broušené pouzdro typu Morse.



Technické parametry:

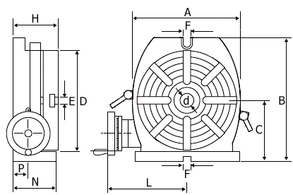
ParametrHodnotaJedn.
  • Otočný dělicí stůl frézařský SPZ 320 VH (DM344)
A  360    mm
B  410
C 210
D 320
E 14
F 18
G  
H 120
J  
L 273
M MS4  
N 118  mm
P 48 
Q  
d 40
h  
Převodový poměr 1:90  
Úhel otáčení 360o (dělení po 1o)  
Přesnost noniusu 10"  
Rozměry (d x š x v) 410 x 360 x 120 mm
Hmotnost 92 kg
Tento web používá k poskytování služeb, personalizaci reklam a analýze návštěvnosti soubory cookie. Používáním tohoto webu s tím souhlasíte. Více informací